Thiết kế mạng điện trong nhà là công việc được làm trước hay sau quá trình lắp đặt mạng điện trong nhà?
Tổng hợp đề thi học kì 1 lớp 9 tất cả các môn - Cánh diều
Toán - Văn - Anh - KHTN - Lịch sử và Địa lí
Câu hỏi tr16 KĐ
Trả lời câu hỏi Khởi động trang 16 SGK Công nghệ 9 Cánh diều
1. Thiết kế mạng điện trong nhà là công việc được làm trước hay sau quá trình lắp đặt mạng điện trong nhà?
2.Hệ thống chiếu sáng trong lớp học của em gồm những thiết bị nào, được bố trí như thế nào?
Phương pháp giải:
Vận dụng kiến thức thực tế của bản thân để trả lời câu hỏi.
Lời giải chi tiết:
1. Thiết kế mạng điện trong nhà là công việc được làm trước quá trình lắp đặt mạng điện trong nhà.
2. Hệ thống chiếu sáng trong một lớp học thường bao gồm các thiết bị sau và được bố trí như sau:
|
Thiết bị |
Cách bố trí |
|
Đèn trần |
Thường được bố trí trên trần phòng học để phân phối ánh sáng đều và hiệu quả. |
|
Bóng đèn dự phòng |
Được bố trí dọc theo các tường hoặc góc phòng |
|
Công tắc ánh sáng |
Được bố trí ở một vị trí thuận tiện trên tường hoặc bên ngoài cửa |
|
Bóng đèn hành lang |
Được bố trí khu vực hành lang |
|
Đèn thoát hiểm |
Được bố trí ở các điểm thoát hiểm hoặc gần cửa ra |
Câu hỏi tr16 KP
Trả lời câu hỏi Khám phá trang 16 SGK Công nghệ 9 Cánh diều
Chọn những thiết bị và đồ dùng điện có thông số kĩ thuật phù hợp với mạng điện trong nhà ở Việt Nam.
- Bóng đèn 12 V - 20 W.
- Quạt điện 220 V - 50 W.
- Nồi cơm điện 110 V - 600 W.
- Công tắc 16 A - 250 V.
Phương pháp giải:
Vận dụng kiến thức trong bài và kiến thức thực tế của bản thân để trả lời câu hỏi.
Lời giải chi tiết:
Những thiết bị và đồ dùng điện có thông số kĩ thuật phù hợp với mạng điện trong nhà ở Việt Nam đó là:
- Quạt điện 220V - 50W.
- Công tắc 16A - 250V.
Câu hỏi tr18 KP
Trả lời câu hỏi Khám phá trang 18 SGK Công nghệ 9 Cánh diều
Kể tên các phần tử điện trong hai mạch nhánh ở sơ đồ Hình 3.2.

Phương pháp giải:
Quan sát hình ảnh và vận dụng kiến thức trong bài để trả lời câu hỏi.
Lời giải chi tiết:
Các phần tử điện trong hai mạch nhánh ở sơ đồ Hình 3.2 là:
- Aptomat
- Công tắc
- Bóng đèn
- Nguồn điện đầu vào
Câu hỏi tr18 LT
Trả lời câu hỏi Luyện tập trang 18 SGK Công nghệ 9 Cánh diều
Sơ đồ mạng điện ở Hình 3.1 là sơ đồ nguyên lí hay sơ đồ lắp đặt.

Phương pháp giải:
Quan sát hình ảnh và vận dụng kiến thức trong bài để trả lời câu hỏi.
Lời giải chi tiết:
Sơ đồ mạng điện ở Hình 3.1 là sơ đồ lắp đặt.
Câu hỏi tr19 TH
Trả lời câu hỏi Thực hành trang 19 SGK Công nghệ 9 Cánh diều
Hãy thiết kế sơ đồ nguyên lí của một mạng điện đơn giản gồm một aptomat, một ổ cắm và một công tắc điều khiển một đèn.
Phương pháp giải:
Vận dụng kiến thức trong bài và kiến thức thực tế của bản thân để trả lời câu hỏi.
Lời giải chi tiết:

Câu hỏi tr21 TH
Trả lời câu hỏi Thực hành trang 21 SGK Công nghệ 9 Cánh diều
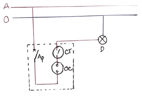
Thiết kế sơ đồ lắp đặt của một mạng điện gồm một aptomat, một ổ cắm và một công tắc điều khiển một đèn.
Phương pháp giải:
Vận dụng kiến thức trong bài và kiến thức thực tế của bản thân để trả lời câu hỏi.
Lời giải chi tiết:

Câu hỏi tr21 LT
Trả lời câu hỏi Luyện tập trang 21 SGK Công nghệ 9 Cánh diều
1. Phân biệt sơ đồ nguyên lí và sơ đồ lắp đặt mạng điện.
2. Tóm tắt các bước thiết kế sơ đồ nguyên lí và sơ đồ lắp đặt mạng điện.
Phương pháp giải:
Vận dụng kiến thức trong bài và kiến thức thực tế của bản thân để trả lời câu hỏi.
Lời giải chi tiết:
1. Phân biệt sơ đồ nguyên lí và sơ đồ lắp đặt mạng điện:
|
|
Sơ đồ nguyên lí |
Sơ đồ lắp đặt |
|
Nội dung |
Thể hiện mối liên hệ điện của các phần tử trong mạng điện như thiết bị điện, đổ dùng điện mà không thể hiện vị trí lắp đặt của chúng trong thực tế. |
Thể hiện vị trí cụ thể của các phần tử trong mạng điện |
|
Công dụng |
Giúp thấy được các phần tử của mạng điện một cách rõ ràng nhất và dùng để nghiên cứu nguyên lí làm việc của mạng điện. |
Dùng để dự trù số lượng thiết bị, đồ dùng, vật liệu điện, cách lắp đặt và sửa chữa mạng điện |
2. Tóm tắt các bước thiết kế sơ đồ nguyên lí và sơ đồ lắp đặt mạng điện:
|
Các bước thiết kế |
Sơ đồ nguyên lí |
Sơ đồ lắp đặt |
|
Bước 1 |
Xác định nhiệm vụ thiết kế. |
Nghiên cứu sơ đồ nguyên lí. |
|
Bước 2 |
Xác định thiết bị, đồ dùng điện và mối liên hệ về điện giữa chúng. |
Xác định vị trí lắp đặt các thiết bị, đồ dùng điện.
|
|
Bước 3 |
Vẽ sơ đồ nguyên lí. |
Vẽ sơ đồ lắp đặt. |
Câu hỏi tr21 VD
Trả lời câu hỏi Vận dụng trang 21 SGK Công nghệ 9 Cánh diều
Quan sát vị trí lắp đặt các thiết bị điện, đồ dùng điện trong gia đình và nhận xét về vị trí lắp đặt của chúng.
Phương pháp giải:
Vận dụng kiến thức trong bài và kiến thức thực tế của bản thân để trả lời câu hỏi.
Lời giải chi tiết:
Nhận xét về vị trí lắp đặt của các thiết bị điện và đồ dùng điện trong gia đình em:
- Các thiết bị, đồ dùng điện trong gia đình em được bố trí thể hiện sự tiện lợi, an toàn và thẩm mỹ.
- Các thiết bị, đồ dùng điện được bố trí hợp lý giúp tối ưu hóa sự sử dụng và tạo ra một không gian sống và làm việc hiệu quả và thoải mái.