Trình bày chức năng, cấu tạo và thông số kĩ thuật của một số thiết bị đóng cắt và lấy điện của mạng điện trong nhà.
Tổng hợp đề thi học kì 1 lớp 9 tất cả các môn - Cánh diều
Toán - Văn - Anh - KHTN - Lịch sử và Địa lí
Câu hỏi tr46 CH1
Trả lời câu hỏi trang 46 SGK Công nghệ 9 Cánh diều
Trình bày chức năng, cấu tạo và thông số kĩ thuật của một số thiết bị đóng cắt và lấy điện của mạng điện trong nhà.
Phương pháp giải:
Vận dụng kiến thức trong bài và kiến thức thực tế của bản thân để trả lời câu hỏi.
Lời giải chi tiết:
Chức năng, cấu tạo và thông số kĩ thuật của một số thiết bị đóng cắt và lấy điện của mạng điện trong nhà:
|
Thiết bị |
Chức năng |
Cấu tạo |
Thông số kĩ thuật |
|
Công tắc |
Công tắc là thiết bị dùng để đóng cắt dòng điện bằng tay đơn giản. Công tắc thường được lắp trên dây pha sau aptomat hoặc cầu chì, nối tiếp với đỗ dùng điện. |
Công tắc gồm các bộ phận chính: vỏ, nút bật tắt và các cực nối điện. Vỏ và nút bật tắt của công tắc thường được làm bằng nhựa, các cực nối điện được làm bằng đồng. |
Trên vỏ công tắc có ghi thông số kĩ thuật: dòng điện định mức (A) và điện áp định mức (V). |
|
Cầu dao |
Cầu dao là thiết bị đóng cắt dòng điện bằng tay đơn giản, thường được sử dụng trong các mạng điện công suất nhỏ. Cầu dao đóng cắt đồng thời cả dây pha và dây trung tính của mạng điện. Cầu dao được kết hợp với cầu chì để thực hiện chức năng bảo vệ mạng điện khi xảy ra sự cố quá tải hoặc ngắn mạch. |
Cầu dao gồm các bộ phận chính: cân đóng cắt, các cực nối điện và vỏ. Tay gạt của cần cắt và vỏ được làm bằng vật liệu cách điện. Các cực nối điện được làm bằng đồng. |
Trên tay gạt của cần đóng cắt của cầu dao có ghi thông số kĩ thuật: dòng điện định mức (A) và điện áp định mức (V). Ví dụ: 15 A - 600 V. |
|
Aptomat |
Aptomat là thiết bị đóng cắt dòng điện bằng tay và có khả năng tự động cắt để bảo vệ mạng điện khi xảy ra sự cô như quá tải hoặc ngắn mạch. Aptomat một pha một cực dùng để đóng cắt dây pha trong mạng điện. Aptomat một pha hai cực dùng để đóng cắt đồng thời cả dây pha và dây trung tính trong mạng điện. |
Cấu tạo bên ngoài của aptomat gồm các bộ phận chính: vỏ, cần đóng cắt, các cực nối điện. Trong đó, cực nối điện đầu vào được nói với dây điện cấp nguồn. cực nối điện đầu ra được nối với các phụ tải điện. |
Trên vỏ aptomat có ghi thông số kĩ thuật: dòng điện định mức (A) và điện áp định mức (V). |
|
Ổ cắm điện |
Ổ cắm điện dùng để lấy điện cho các đồ dùng điện. |
Ổ cắm điện gồm các bộ phận chính: vỏ và các cực tiếp điện. |
Trên vỏ của ô cắm điện có ghi thông số kĩ thuật: dòng điện định mức (A) và điện áp định mức (V). Ví dụ: 15 A - 250 V. |
|
Phích cắm điện |
Phích cắm điện dùng để lấy điện từ ổ cắm điện cung cấp cho các đồ dùng điện. |
Phích cắm điện gồm các bộ phận chính: vỏ và các chốt (chấu) tiếp điện. Mỗi chốt tiếp điện được nối với một dây dẫn điện. |
Trên vỏ phích cắm điện có ghi thông số kĩ thuật: dòng điện định mức (A) và điện áp định mức (V). Ví dụ: 10A - 250 V. |
Câu hỏi tr46 CH2
Trả lời câu hỏi trang 46 SGK Công nghệ 9 Cánh diều
Mô tả cách sử dụng đồng hồ vạn năng, ampe kìm để đo một số đại lượng.
Phương pháp giải:
Vận dụng kiến thức thực tế của bản thân để trả lời câu hỏi.
Lời giải chi tiết:
Mô tả cách sử dụng đồng hồ vạn năng, ampe kìm để đo một số đại lượng:
|
Các bước |
Đồng hồ vạn năng |
Ampe kìm |
|
+ Bước 1. Chọn thang đo và đại lượng đo |
Vặn núm xoay sang chế độ đo thông mạch. |
Vặn núm xoay đến thang đo cường độ dòng điện. |
|
Bước 2. Tiến hành đo |
- Cắm dây que đo màu đen vào giắc cắm V/Ω và dây que đo màu đen vào giắc cắm COM của đồng hồ vạn năng. - Đặt hai đầu que đo vào hai đầu của dây dẫn điện cần đo thông mạch. |
Ấn lẫy mở hàm kìm, lồng hàm kìm vào đoạn dây dẫn điện cân đo cường độ dòng điện. |
|
Bước 3. Đọc kết quả đo |
Nếu dây dẫn điện không bị đứt, đồng hồ sẽ kêu tiếng “bíp”, nếu dây dẫn điện bị đứt thì đồng hồ sẽ không kêu. |
Đọc kết quả trên màn hình hiển thị |
Câu hỏi tr46 CH3
Trả lời câu hỏi trang 46 SGK Công nghệ 9 Cánh diều
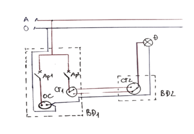
Một mạng điện đơn giản dùng trong phòng ngủ có kích thước 3 × 4 m bao gồm hai aptomat, một ổ cắm điện, hai công tắc ba cực điều khiển một đèn. Hãy:
a) Thiết kế sơ đồ nguyên lí và sơ đồ lắp đặt của mạng điện.
b) Lập bảng tính toán chi phí của mạng điện.
Phương pháp giải:
Vận dụng kiến thức trong bài và kiến thức thực tế của bản thân để trả lời câu hỏi.
Lời giải chi tiết:
a) Thiết kế sơ đồ nguyên lí và sơ đồ lắp đặt của mạng điện.
- Sơ đồ nguyên lí:

- Sơ đồ lắp đặt:

b) Tính toán chi phí của mạng điện:
|
STT |
Tên thiết bị, vật liệu |
Thông số kĩ thuật |
Đơn vị tính |
Số lượng |
Đơn giá (VNĐ) |
Thành tiền (VNĐ) |
|
1 |
Aptomat |
16 A - 250 V |
cái |
1 |
67.000 đ |
67.000 đ |
|
2 |
10 A - 250 V |
cái |
1 |
60.000 đ |
60.000 đ |
|
|
3 |
Bóng đèn, đui đèn |
250 V - 12 W |
bộ |
1 |
63.000 đ |
63.000 đ |
|
4 |
Ổ cắm điện |
16 A - 250 V |
cái |
1 |
50.000 đ |
50.000 đ |
|
5 |
Công tắc |
16 A - 250 V |
cái |
2 |
27.000 đ |
54.000 đ |
|
6 |
Dây dẫn điện |
2 × 4,0 mm2 |
m |
5 |
24.500 đ |
122.500 đ |
|
7 |
2 × 1,5 mm2 |
m |
5 |
9.800 đ |
49.000 đ |
|
|
8 |
Bảng điện |
300 × 200 mm |
cái |
2 |
20.000 đ |
40.000 đ |
|
Tổng chi phí |
505.500 đ |
|||||
Câu hỏi tr46 CH4
Trả lời câu hỏi trang 46 SGK Công nghệ 9 Cánh diều
Trình bày quy trình lắp đặt mạng điện.
Phương pháp giải:
Vận dụng kiến thức trong bài và kiến thức thực tế của bản thân để trả lời câu hỏi.
Lời giải chi tiết:
Quy trình lắp đặt mạng điện:
- Bước 1. Tìm hiểu sơ đồ nguyên lí
- Bước 2. Vẽ sơ đồ lắp đặt
- Bước 3. Chuẩn bị thiết bị, vật liệu, dụng cụ
- Bước 4. Lắp đặt mạch điện
- Bước 5. Kiểm tra, thử nghiệm hoạt động của mạch điện
Câu hỏi tr46 CH5
Trả lời câu hỏi trang 46 SGK Công nghệ 9 Cánh diều
Trình bày đặc điểm và yêu cầu công việc đối với ngành nghề liên quan đến lắp đặt mạng điện trong nhà.
Phương pháp giải:
Vận dụng kiến thức trong bài và kiến thức thực tế của bản thân để trả lời câu hỏi.
Lời giải chi tiết:
* Đặc điểm của ngành nghề liên quan đến công việc lắp đặt mạng điện trong nhà:
- Sản phẩm lao động: Sản phẩm đa dạng, có mức độ phức tạp khác nhau như sơ đồ nguyên lí, sơ đồ lắp đặt mạng điện, mạch điện chiếu sáng trong gia đình....
- Đối tượng lao động: Gồm có: thiết bị điện, đồ dùng điện. dụng cụ đo điện, vật liệu và dụng cụ để làm việc, nguồn điện một chiều và xoay chiều điện áp thấp dưới 380 V....
- Điều kiện làm việc: thường được tiến hành trong nhà, ngoài trời, trên cao.…
* Yêu cầu công việc đối với ngành nghề liên quan đến lắp đặt mạng điện trong nhà:
- Về năng lực
+ Có hiểu biết cơ bản về lĩnh vực kĩ thuật điện
+ Có năng lực thực hiện công việc chuyên môn
+ Có đủ sức khoẻ để đáp ứng yêu cầu công việc, không mắc bệnh về tim mạch, huyết áp, thấp khớp…
- Về phẩm chất
+ Yêu thích công việc, làm việc nhóm, có tinh thần trách nhiệm;
+ Làm việc khoa học, kiên trì, cẩn thận và chính xác;
+ Có ý thức đảm bảo an toàn lao động, tuân thủ quy trình an toàn điện và bảo vệ môi trường làm việc.