Xem thêm: Hồ sơ năng lực của Trung tâm Thử nghiệm Kiểm định và Chứng nhận Phúc Gia
Phúc Gia® – Cung Cấp Những Thông Tin Hữu Ích Về Dòng Sản Phẩm Máy Thu Hình Tới Người Tiêu Dùng – Một Dòng Sản Phẩm Buộc Phải Dán Nhãn Năng Lượng Trước Khi Đưa Vào Sử Dụng. Trong Bài Viết Dưới Đây, Phúc Gia® Sẽ Tóm Lược Những Điều Cơ Bản Nhất Về Dòng Sản Phẩm Này. Cùng Theo Dõi Bạn Nhé!

1) Khái Niệm Máy Thu Hình Là Gì?
Máy thu hình là thiết bị nhận và tái tạo lại tín hiệu âm thanh, hình ảnh của đài truyền hình.
2) Phân Loại Máy Thu Hình
Máy thu hình có hai loại:
- Máy thu hình màu;
- Máy thu hình đen trắng.
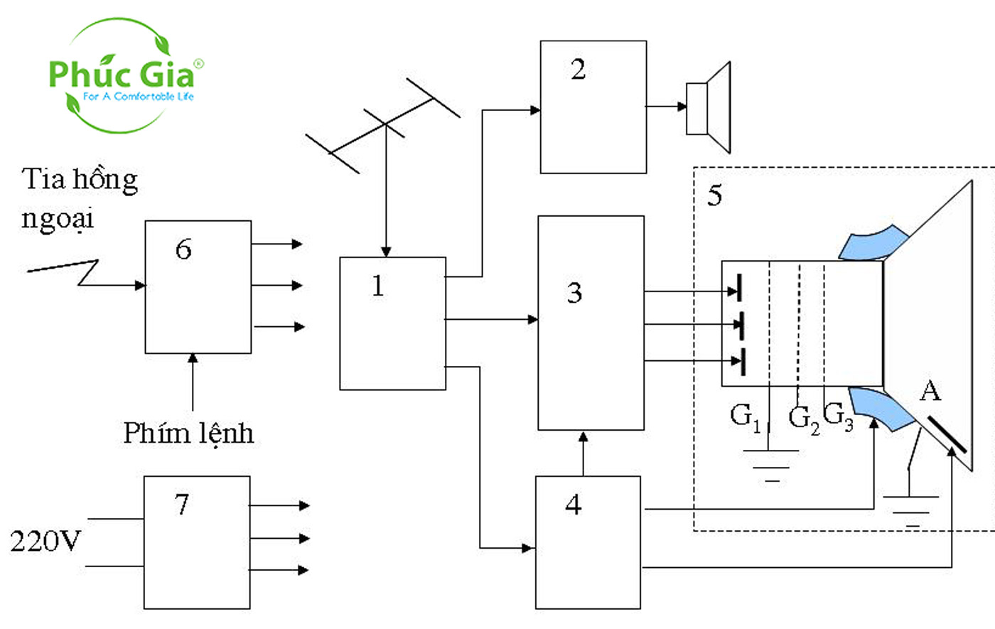
3) Chức Năng Của Khối Có Trong Máy Thu Hình Màu

3.1) Khối cao tần, trung tần (1):
Khối cao tần, trung tần có nhiệm vụ nhận tín hiệu từ ăng ten, sau đó khuếch đại tín hiệu, tách sóng hình, tự động điều chỉnh hệ số khuếch đại và tần số ngoại sai, đồng thời đưa tín hiệu đến các khối 2, 3, và 4.
3.2) Khối xử lý âm thanh (2):
Khối xử lý âm thanh có nhiệm vụ nhận tín hiệu sóng mang âm thanh, khuếch đại sơ bộ, tách sóng, và tiến hành khuếch đại công suất để phát ra loa.
3.3) Khối xử lý hình (3):
Khối xử lý hình có nhiệm vụ nhận tín hiệu hình ảnh, khuếch đại tín hiệu này, giải mã màu, khuyếch đại các tín hiệu màu đưa tới 3 catôt đèn hình màu.
3.4) Khối đồng bộ và tạo xung quét (4):
Khối đồng bộ và tạo xung quét có nhiệm vụ tách lấy các xung đồng bộ dòng và xung đồng bộ mành, xung quét mành và đưa tới cuộn lái tia của đèn hình. Đồng thời tạo điện áp cao để đưa tới anôt đèn hình.
3.5) Khối phục hồi hình ảnh (5):
Khối phục hồi hình ảnh có nhiệm vụ nhận tín hiệu hình ảnh màu, tín hiệu quét để phục hồi hình ảnh phát lên màn hình.
3.6) Khối xử lý và điều khiển (6):
Khối xử lý và điều khiển có nhiệm vụ nhận lệnh từ phím bấm hay điều khiển từ xa để điều khiển các hoạt động của máy thu hình.
3.7 Khối nguồn (7):
Khối nguồn có nhiệm vụ tạo các mức điện áp cần thiết để cung cấp cho các khối làm việc.
4) Nguyên Lý Hoạt Động Của Khối Xử Lý Tín Hiệu Màu

- Cơ cấu phát và thu màu trong truyền hình màu là phối hợp các màu cơ bản, đó là màu đỏ (R), màu lục (G) và màu lam (B).
- Tín hiệu từ tách sóng hình tới:
- Khối 1 khuếch đại và xử lý tín hiệu chói Y;
- Khối 2 giải mã màu R-Y và B-Y. Đầu ra của khối 1 và khối 2 đưa tới mạch ma trận 3 nhằm khôi phục lại ba tín hiệu màu cơ bản.
- Đầu ra của các khối 1, khối 2 là đưa tới các mạch ma trận 3 nhằm mục đích khôi phục lại ba tín hiệu màu cơ bản, đó là màu đỏ (R), màu lục (G) và màu lam (B).
- Ba màu tín hiệu cơ bản này được khuếch đại lần cuối qua các khối 4, 5, 6 nhằm đảm bảo biên độ đủ lớn và đảo pha thành cực tím âm rồi đưa tới ba catôt đèn hình màu điều khiển ba tia điện tử bắn lên các điểm phát màu tương ứng với các đỏ, lục, lam trên màn hình.
- Các màu cơ bản đỏ, lục, lam trên hoàn trộn với nhau thành hình ảnh màu.
ĐIỀU GÌ TẠO NÊN THƯƠNG HIỆU PHÚC GIA®:
Phúc Gia® – Đơn Vị Hàng Đầu Cung Cấp Các Dịch Vụ Hải Quan:
Lý do khiến mọi doanh nghiệp đều lựa chọn Phúc Gia® là đơn vị hàng đầu trong Tư vấn Công Bố Hợp Quy An Toàn Thực Phẩm và Công Bố Phù Hợp Quy Định An Toàn Thực Phẩm, Dán Nhãn Năng Lượng, Chứng Nhận Hợp Quy, Công Bố Mỹ Phẩm:
1) Phúc Gia® có bề dày hơn 5 năm kinh nghiệm trong ngành, là đơn vị đầu tiên đủ năng lực cung cấp dịch vụ Hải Quan cho hơn 500 đơn vị lớn nhỏ Trong & Ngoài Nước: Sharp (2012); SamSung (2012); Hitachi (2013); Electrolux (2013); Panasonic (2013); LG (2013); Sony (2013); Siemens (2013); Mitsubishi (2013); GE (2013); Haier (2014); Toshiba (2014); Carrier (2014); Philips (2014); HappyCook (2015); General (2015); TCL (2015); Alaska (2015); Casper (2015); Gree (2016); Hải Hà (2016); VinMart (2017)… 2) Phúc Gia® sở hữu đội ngũ Tư vấn và Quy trình làm việc chuyên nghiệp, giải đáp được tất cả các thắc mắc của Doanh nghiệp, giúp Khách hàng tối ưu được thời gian, tâm trí, sức lực cũng như giảm thiểu rủi ro trong quá trình vận chuyển hàng hóa và làm thủ tục xin giấy phép Thông quan. 3) Phúc Gia® là đơn vị đầu tiên & duy nhất công bố Giá Niêm Yết Toàn Cầu trên Website & Bảo hiểm miễn phí cho Khách hàng 1 năm trong trường hợp các quy định pháp luật của Nhà nước thay đổi!
CÂU HỎI THƯỜNG GẶP:
Tại Sao Với Giá Dịch Vụ Ở Phân Khúc Cao, Phúc Gia® Vẫn Được Các Doanh Nghiệp Lựa Chọn Là Đơn Vị Tin Cậy Hàng Đầu Với Các Dịch Vụ Hải Quan?
- Đây cũng là băn khoăn của nhiều khách hàng trước khi lựa chọn Phúc Gia® là đơn vị cung cấp các Dịch vụ Hải quan.
- Trong hơn 5 năm qua Phúc Gia® đã phục vụ hơn 500 Doanh nghiệp lớn nhỏ trong Nước và Quốc tế, hơn 90% trong các Doanh nghiệp đã sử dụng các Dịch vụ Hải quan của Phúc Gia® đều nhận xét rằng chất lượng Dịch vụ xứng đáng với số tiền họ bỏ ra.
- Khách hàng nhận xét rằng: “Với mức giá Doanh nghiệp phải bỏ ra khi sử dụng các Dịch vụ Hải quan của Phúc Gia® là RẺ hơn nhiều so với chi phí và khoảng thời gian Doanh nghiệp tự tìm hiểu để hoàn thành các công việc như: Tự mang sản phẩm đi thử nghiệm; Tự tìm hiểu để soạn hồ sơ; Tự làm việc với các bộ ban ngành để hoàn chỉnh hồ sơ; Tự làm giấy phép Thông quan…”
- Phúc Gia® cam kết tối ưu hóa thời gian, tâm trí, sức lực và tiền bạc trong quá trình Thông Quan hàng hóa cũng như GIẢM THIỂU RỦI RO trong quá trình cấp giấy phép!
BÀI VIẾT LIÊN QUAN ĐẾN DỊCH VỤ DÁN NHÃN NĂNG LƯỢNG:
- https://phucgia.com.vn/nhan-nang-luong
- Công Bố Dán Nhãn Năng Lượng Tivi Nhanh
Mọi chi tiết xin vui lòng liên hệ:
CÔNG TY CỔ PHẦN PHÒNG THỬ NGHIỆM PHÚC GIA
TRUNG TÂM CHỨNG NHẬN PHÚC GIA
TRUNG TÂM THỬ NGHIỆM KIỂM ĐỊNH PHÚC GIA
Địa chỉ: Cảng cạn ICD Long Biên, Số 1 Huỳnh Tấn Phát, phường Thạch Bàn, quận Long Biên, thành phố Hà Nội
Điện thoại: 0981.996.996/ 0982.996.696/ 024.7779.6696
E-mail: lab@phucgia.com.vn
Website: phucgia.com.vn
Thời gian làm việc: Thứ Hai đến Thứ Sáu 8:00 – 18:30; Thứ Bảy 8:00 – 12:00