1. Lượng mưa năm trung bình trong thời kì thống kê trung bình lưu vực sông/vùng lãnh thổ
- Phương pháp tính toán, tổng hợp
Bước 1: Thu thập và hệ thống hóa số liệu
Số liệu mưa tháng và năm trong thời kỳ quan trắc tại các trạm đo mưa trong mạng lưới đo mưa cơ bản do Bộ Tài nguyên và Môi trường quản lý và các trạm đo mưa dùng riêng (do địa phương hay các ngành khác quản lý) trong vùng (tỉnh) hay lưu vực sông.
Số liệu chất lượng nước mưa (chỉ số Hydrô, độ dẫn điện…) trong thời kỳ thống kê tại các trạm trong mạng lưới môi trường, bao gồm mạng lưới mưa axít trong vùng hay lưu vực sông.
Hệ thống hóa, phân tích, đánh giá chất liệu số liệu mưa. Phân tích tình hình số liệu mưa, bao gồm: số trạm đo mưa, thời gian quan trắc, dụng cụ quan trắc (đo mưa bằng thùng hay bằng máy tự ghi…), cơ quan quản lý,…
Đánh giá tính đồng bộ (về thời gian quan trắc) của số liệu.
Đánh giá chất lượng số liệu mưa trong lưu vực sông/vùng, bao gồm: sự phân bố của trạm đo mưa, mật độ trạm (số trạm/km2), thời gian quan trắc, sai số quan trắc và chỉnh lý (theo cơ quan cung cấp số liệu)….
Lập bảng thống kê số liệu đo mưa trong vùng.
Bảng 1. Danh sách trạm đo mưa trong lưu vực sông/vùng
Thứ
tự
Trạm
Độ cao trạm (m)
Vị trí trạm
Thời kỳ quan trắc
Loại
trạm
Dụng cụ đo
Ghi
chú
Kinh độ
Vĩ độ
Ghi chú:
Thứ tự: Trạm được sắp xếp theo thứ tự từ Bắc vào Nam, từ Tây sang Đông và theo từng lưu vực sông (sông chính, sông độc lập).
Thời kỳ quan trắc: ghi năm bắt đầu và năm kết thúc (tính đến năm thống kê, thí dụ: 1961-2010).
Loại trạm: Cơ bản hay dùng riêng.
Dụng cụ đo: Thùng đo mưa hay máy tự ghi.
Những năm đo mưa không đầy đủ, tình hình di chuyển trạm và ảnh hưởng của hoạt động kinh tế đến chất lượng số liệu mưa.
Bước 2: Tính toán lượng mưa trung bình năm trung bình thời kỳ thống kê tại trạm đo mưa
Giá trị lượng mưa năm trung bình thời kỳ thống kê (Xon) tại một vị trí (trạm đo mưa) nào đó được tính theo một số phương pháp dưới đây tùy theo số năm quan trắc đủ hay thiếu.
Trường hợp có đủ số liệu lượng mưa trong thời kỳ thống kê:
Giá trị lượng mưa năm trung bình thời kỳ thống kê được lấy bằng giá trị trung bình số học của các giá trị lượng mưa năm quan trắc trong kỳ thống kê và được tính theo công thức dưới đây:
Xon = N Z”iX
Trong đó: Xon là lượng mưa năm trung bình thời kỳ thống kê (mm);
X, là lượng mưa năm của năm thứ i (mm);
N là số năm trong thời kỳ thống kê;
Trường hợp không đủ số liệu mưa trong thời kỳ thống kê.
Trong trường hợp lượng mưa năm của một năm nào đó trong thời kỳ thống kê không có số liệu quan trắc hay chất lượng số liệu không tốt (có một số tháng không có số liệu quan trắc) thì lượng mưa năm của năm đó có thể được tính bổ sung từ lượng mưa năm tại trạm lân cân (thường được gọi là trạm tương tự) theo phương pháp tương quan khi số năm quan trắc đồng thời (n) tại trạm tính và trạm ở lân cận từ 10 năm trở lên (bao gồm toàn bộ số năm quan trắc) và hệ số tương quan (r) từ 0,60 – 0,70 trở lên.
Phương trình tương quan tuyến tính lượng mưa năm giữa trạm tính và trạm tương tự như sau:
Xt,n,i = aXtt,n,i ±b
Trong đó: Xt ni và Xtt ni tương ứng là lượng mưa năm trong năm thứ i tại trạm tính và trạm tương tự (mm);
a và b là tham số của phương trình tương quan, được tính như sau:
a = r^ ^tt,n.
b = Xt,n,tb -r^Xtt,n,tb
Trong đó: st n và stt n tương ứng là sai quân phương (độ lệch tiêu chuẩn) của lượng mưa năm trong thời kỳ quan trắc đồng thời tại trạm tính và trạm tương tự.
Xtntb và Xttntb tương ứng là lượng mưa năm trung bình thời kỳ tính toán (n năm – quan trắc đồng thời) tại trạm tính và trạm tương tự (mm).
Bước 3: Xây dựng bản đồ đường đẳng trị lượng mưa năm trung bình thời kỳ thống kê
Căn cứ vào kết quả tính Xon tại các trạm đo mưa trong lưu vực sông/vùng và tham khảo số liệu Xon tại một số trạm đo mưa ở lân cận, tiến hành xây dựng bản đồ đường đẳng trị lượng mưa năm trong lưu vực sông/vùng.
Bước 4: Tính lượng mưa năm trung bình thời kỳ thống kê trung bình lưu vực sông/vùng
- Lượng mưa năm trung bình thời kì thống kê trung bình trên một phạm vi lãnh thổ (lưu vực sông, vùng) có thể được tính theo các phương pháp dưới đây tùy thuộc vào sự phân bố của Xon trong lãnh thổ
a) Đối với vùng núi và trung du: Sự phân bố của Xon thường biến đổi mạnh theo địa hình nên lượng mưa năm trung bình thời kỳ thống kê trung bình trên lưu vực sông/vùng thường được tính theo phương pháp gia quyền diện tích đường đẳng trị lượng mưa năm hay phương pháp đa giác (phương pháp Thiessen).
– Phương pháp gia quyền diện tích đường đẳng trị
Trong đó: Xo nlv là lượng mưa năm trung bình thời kỳ thống kê trung bình lưu vực/vùng (mm);
Xonkgj là lượng mưa năm (mm) trung bình thời kỳ thống kê trên diện tích fj kẹp giữa hai đường đẳng trị Xon liền kề (mm);
F là diện tích lưu vực sông/vùng (km2);

Hình 1. Sơ đồ đường đẳng trị lượng mưa năm trung bình thời kỳ trong lưu vực sông Thái Bình
– Phương pháp đa giác (phương pháp Thiessen)
Xo,n,lv = 1 S Xonjfj
Fj=i
Trong đó: Xo nlv là lượng mưa năm trung bình thời kỳ thống kê trung bình lưu vực sông/vùng (mm);
Xonj là lượng mưa năm trung bình thời kỳ thống kê tại trạm đo mưa thứ j (mm);
fj là diện tích của đa giác thứ j trong đó có trạm trạm mưa thứ j được lấy làm đại diện (km2);
F tổng diện tích lưu vực sông/vùng (F = Sf ) km2;
m số đa giác được phân chia trong lưu vực sông/vùng;
Hình là sơ đồ đa giác Thiessen trong một lưu vực sông/vùng nào đó.
b) Đối với vùng đồng bằng: Do địa hình tương đối bằng phẳng nên sự phân bố của lượng mưa năm tương đối đồng đều, nên lượng mưa năm trung bình trong vùng có thể được tính bằng giá trị trung bình số học của Xon tại các trạm đo mưa trong vùng:
X = m X
o,n,v m m=1 o,n,n
Trong đó: Xonv là lượng mưa năm trung bình thời kỳ thống kê trung bình trong vùng (mm);
Xonm là lượng mưa năm trung bình thời kỳ thống kê tại trạm đo mưa thứ m trong vùng (mm);
m là số trạm đo mưa trong vùng.

Hình 2. Sơ đồ đa giác Thiessen trong lưu vực sông/vùng A
- Lượng mưa mùa mưa trung bình thời kỳ thống kê trung bình lưu vực sông/vùng
Bước 1: Tính lượng mưa mùa mưa hàng năm tại các trạm đo mưa.
Bước 2: Tính lượng mưa mùa mưa (Xm) trung bình thời kỳ thống kê tại các trạm đo mưa: Phương pháp tính lượng mưa mùa mưa trung bình thời kỳ thống kê (Xom) tại các trạm đo mưa cũng được tính theo các phương pháp tính Xon nêu trên.
Bước 3: Xây dựng bản đồ Xom.
Bước 4: Tính Xom trung bình lưu vực sông/vùng. Phương pháp tính cũng như các phương pháp tính Xon trung bình lưu vực sông/vùng đã trình bày ở trên.
- Kiểm kê lượng mưa với các vùng chưa có số liệu
a) Công trình quan trắc thủ công
– Vườn quan trắc
+ Hình dạng vườn: hình chữ nhật hoặc hình vuông, chiều dài vườn theo phương Bắc – Nam, chiều rộng vườn theo phương Đông – Tây. Cửa vườn đặt chính giữa tại cạnh phía Bắc, Đông hoặc Tây.
+ Mặt vườn bằng phẳng theo phương nằm ngang; trồng cỏ tự nhiên chiều cao nhỏ hơn hoặc bằng 0,2m; đường đi trong vườn bằng bê tông hoặc lát gạch, chiều rộng 0,4m, chiều cao so với mặt vườn nhỏ hơn hoặc bằng 0,10m.
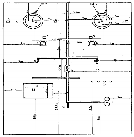
+ Sơ đồ bố trí trong vườn quan trắc khí tượng như các hình dưới đây:

Hình 3. Sơ đồ bố trí trong vườn quan trắc khí tượng loại 26m x 36m
Ghi chú:
1. Hàng rào
9. Cột lắp đặt máy đo mưa tự ghi
2. Cửa vườn
10. Cột đặt thùng đo mưa
3. Đường đi
11. Mốc độ cao
4. Cột lắp thiết bị đo gió dự phòng
12. Cột lắp máy ghi thời gian nắng
5. Cột lắp thiết bị đo gió đang hoạt động
13. Ô quan trắc nhiệt độ đất và độ ẩm đất
6. Mố cáp
14. Nhiệt kế các lớp tầng đất sâu
7. Lều khí tượng đặt máy tự ghi nhiệt độ và độ ẩm không khí
15. Thiết bị đo bốc hơi
8. Lều khí tượng đặt nhiệt kế
16. Máy đo bức xạ

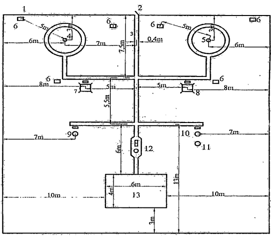
Hình 4. Sơ đồ bố trí trong vườn quan trắc khí tượng loại 26m x 26m
Ghi chú:
1. Hàng rào
7. Lều khí tượng đặt máy tự ghi nhiệt độ và độ ẩm không khí
2. Cửa vườn
8. Lều khí tượng đặt nhiệt kế
3. Đường đi
9. Cột lắp máy đo mưa tự ghi
4. Cột lắp thiết bị đo gió dự phòng
10. Cột đặt thùng đo mưa
5. Cột lắp thiết bị đo gió đang hoạt động
11. Mốc độ cao
12. Cột lắp máy ghi thời gian nắng
6. Mố cáp
13. Ô quan trắc nhiệt độ đất và độ ẩm đất

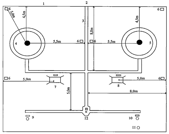
Hình 5. Sơ đồ bố trí trong vườn quan trắc khí tượng loại 16m x 20m
Ghi chú:
1. Hàng rào
7. Lều khí tượng đặt máy tự ghi nhiệt độ và độ ẩm không khí
2. Cửa vườn
8. Lều khí tượng đặt máy nhiệt kế
3. Đường đi
9. Cột lắp máy đo mưa tự ghi
4. Cột lắp thiết bị đo gió dự phòng
10. Cột đặt thùng đo mưa
5. Cột lắp thiết bị đo gió đang hoạt động
11. Mốc độ cao
6. Mố cáp
12. Cột lắp máy ghi thời gian nắng
13. Ô quan trắc nhiệt độ đất

Hình 6. Sơ đồ bố trí trong vườn quan trắc khí tượng loại 16m x 16m
Ghi chú:
1. Hàng rào
7. Lều khí tượng đặt máy tự ghi nhiệt độ và độ ẩm không khí
2. Cửa vườn
8. Lều khí tượng đặt nhiệt kế
3. Đường đi
9. Cột lắp máy đo mưa tự ghi
4. Cột lắp thiết bị đo gió dự phòng
10. Cột đặt thùng đo mưa
5. Cột lắp thiết bị đo gió đang hoạt động
11. Mốc độ cao
6. Mố cáp
12. Cột lắp thiết bị đo nắng
b) Ô quan trắc nhiệt độ đất
– Nằm trong và ở phía Nam của vườn quan trắc khí tượng bề mặt.
– Ô quan trắc nhiệt độ đất có kích thước 3m x 4m hoặc 4m x 6m, chiều dài theo phương Đông – Tây và chiều rộng theo phương Bắc – Nam.
– Mặt ô quan trắc nhiệt độ đất bằng phẳng theo phương nằm ngang và cao bằng mặt vườn; có lớp thổ nhưỡng đồng nhất với thổ nhưỡng của vườn; trên bề mặt ô quan trắc không có cỏ hoặc các vật khác che phủ.
c) Lều khí tượng
– Lều được làm bằng vật liệu dẫn nhiệt kém hoặc gỗ, được sơn trắng, có bốn mặt được làm kiểu cánh chớp (hai lớp chớp bên trong và bên ngoài nghiêng 45° xuống phía dưới); lều bốn mái hoặc một mái.
– Mặt đáy của lều gồm ba mảnh, mảnh giữa cao hơn hai bên, thông khí với bên ngoài.
– Nóc của lều gồm ba mảnh, mảnh giữa thấp hơn hai mảnh bên để thông khí với bên ngoài.
– Đặt lều cố định trên giá, không rung lắc, cửa mở hướng Bắc, mặt đáy của lều nằm theo phương ngang và cách mặt vườn quan trắc 1,4m; không có nắng, mưa trực tiếp vào bên trong lều.
– Kích thước, hình dạng của lều như các hình dưới đây:
Hình 7. Hình chiếu cạnh (trước) lều khí tượng
Hình 8. Hình chiếu mặt đáy lều khí tượng
Hình 9. Hình chiếu cạnh (thân lều) lều khí tượng
Hình 10. Hình chiếu cửa lều khí tượng
d) Cột lắp thiết bị đo gió
Vị trí lắp đặt trong vườn quan trắc; bảo đảm thẳng đứng, cố định, chắc chắn, chịu được đối với mọi cấp gió; chiều cao từ 10m đến 12m.
e) Các công trình phụ trợ khác
– Cột lắp thiết bị đo thời gian nắng: cố định, chắc chắn, chiều cao tối thiểu 1,5m; đảm bảo thẳng đứng.
– Cột lắp thiết bị đo mưa: cố định, chắc chắn, thẳng đứng; chiều cao cột đảm bảo miệng hứng của thiết bị đo mưa cách mặt vườn quan trắc tối thiểu 1,5m.
– Hàng rào vườn quan trắc: thông thoáng, cao 1,2m; thẳng đứng; vật liệu hạn chế hấp thụ bức xạ mặt trời; hàng rào được sơn trắng.
f) Công trình quan trắc khí tượng tự động
– Tháp (cột) để lắp thiết bị quan trắc phải bảo đảm cố định, chắc chắn, thẳng đứng, chịu được với mọi cấp gió; có chiều cao từ 10m đến 12m.
– Thiết bị lắp trên cột được bố trí theo Hình 11, lưu ý pin mặt trời phải hướng về phía Nam.

Hình 11. Sơ đồ bố trí thiết bị quan trắc khí tượng tự động